A día de hoy las tarjetas de memoria Compact Flash siguen siendo habituales en el ámbito profesional y cámaras DSLR de alta gama, sin embargo las tarjetas SD les han ido comiendo terreno poco durante los últimos años, en concreto las SDXC de alta capacidad. Pese a todo, la alianza Compact Flash lleva un tiempo desarrollando una tecnología más moderna.
Contenido del artículo
¿Qué es una tarjeta de memoria CFast?
Una tarjeta CFast es un nuevo tipo de tarjeta de memoria, la evolución natural de las tarjetas Compact Flash. De hecho, su desarrollo está pensado para sustituir a las viejas Compact Flash, que llegaron allá por el año 1995.
La evolución entre Compact Flash y CFast es similar al cambio de interfaz de los antiguos discos duros IDE a SATA. De hecho las tarjetas Compact Flash utilizan la antigua interfaz de conexión IDE, aunque algunos modelos de tarjetas CF de gama alta utilizan la interfaz UDMA, algo más rápida y moderna.

Velocidades
Las tarjetas CFast se basan, como otras tarjetas de memoria, en la memoria NAND de estado sólido, y utilizan una interfaz de datos SATA frente a la interfaz ATA de las tarjetas Compact Flash. Las CFast cumplen con las especificaciones SATA-IO, pero físicamente utilizan un conector y una forma diferentes definidas por la Compact Flash Alliance.
Gracias a esta evolución, las tarjetas de memoria CFast pueden ofrecer velocidades de transferencia de datos significativamente más elevadas que las Compact Flash. La velocidad teórica de una CFast es de aproximadamente 375 MB/seg, mientras que las Compact Flash llegan hasta unos teóricos 90MB/seg en las gamas más altas.

Capacidad de las CFast
Las tarjertas CFast todavía están en pleno desarrollo. La última especificación es la versión 5, y una de las novedades de esta revisión es un direccionamiento de memoria de 48 bits para elevar el anterior límite de capacidad de 137 GB hata una capacidad máxima teórica de nada más y nada menos que 144 Petabytes (144.000 veces el tamaño de un disco duro de 1 TB).
Las tarjetas CFast más habituales van desde los 64 hasta los 512 GB.
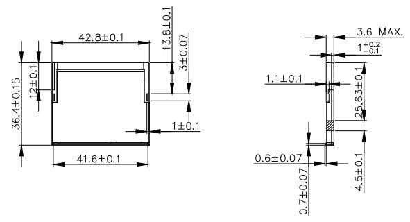
Dimensiones
Las tarjetas CFast tienen la misma longitud y anchura que una tarjeta Compact Flash, sin embargo es 0,3 mm más gruesa.
Las dimensiones de las CFast son:
- Longitud: 36,4 mm
- Anchura: 42,8 mm
- Grosor: 3,6 mm

VPG 3
En la forma como se diferencian las tarjetas de memoria CFast contamos con la especificación VPG Perfil 3. Este certificado nos asegura una velocidad de grabación continua garantizada de flujos de vídeo de hasta 130 MB/s. Con estas cifras podremos grabar vídeo profesional de alta resolución y bitrate sin problemas.
CFast SanDisk
Las tarjetas CFast de SanDisk son capaces de leer a una velocidad de hasta 525 MB/s y de escribir hasta 450 MB/s. Actualmente son compatibles con cámaras de vídeo como las Canon C300 Mk II, C700, XC10 1D X mk II y C200. También son buenas tarjetas para grabar vídeo profesional con cámaras Blackmagic, como la URSA Mini Pro 4.6K, URSA Mini 4.6K, URSA Mini 4K y URSA.
Actualmente están disponibles en 64, 128, 256, y 512 GB.
No se encontraron productos
No se encontraron productos
CFast Lexar
Lexar tiene en su catálogo dos tipos de tarjetas CFast: la 3600x y la 3500x.
La tarjeta de memoria CFast Lexar 3600x está optimizada específicamente para grabar vídeo con cámaras ARRI. Estas tarjetas llevan un disipador de calor para disipar la temperatura generada durante la grabación continua. Además, incluyen un firmware optimizado para manejar los formatos de archivo de vídeo tan grandes que generan las cámaras de vídeo profesionales ARRI. Los modelos 3600x también son compatibles con otras cámaras, como por ejemplo la Blackmagic URSA, URSA Mini y URSA Mini Pro. La CFast Lexar 3600x se fabricó en 128 GB y 256 GB.
No se encontraron productos
No se encontraron productos
Las CFast 3500x son capaces de alcanzar velocidades de lectura de hasta 525MB/s y de escritura de hasta 445MB/s, mientras que las 3600x son capaces de alcanzar velocidades de lectura de 540MB/s y hasta 445MB/s de escritura. Las 3500x también tienen la certificación VPG-130, mientras que las 3600x no.
* Los precios y la disponibilidad de los productos provienen de la API de Amazon y pueden ser distintos a los publicados.